Iphone SE2代曝光,不愧是苹果手机,功能竟然如此强大
Iphone SE2代曝光,不愧是苹果手机,功能竟然如此强大 大家好我是大家的朋友 小生 ,每天都会给大家更新我的原创内容,希望得到大家的支持,今天为大家分享的是Iphone SE2代曝光,不...
点动,自锁,点动与自锁混合控制电路图(附详细解析)
图中出现的电气符号解析
QS刀开关(隔离开关)
QF断路器
FU熔断器
SB按钮开关
KM接触器
KH热继电器
3~三相异步电动机
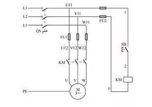
点动电路图

合上刀开关QS,按下启动开关SB,接触器(KM)线圈得电,接触器主触点吸合,电机得电开始动作,松开启动按钮,接触器线圈失电,接触器主触点复位,电机停止动作。
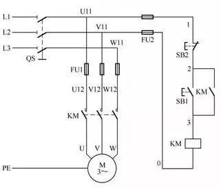
自锁电路图

合上刀开关QS,按下启动按钮SB1,接触器(KM)线圈得电吸合,接触器常开触点变为常闭,此时如果松开启动按钮SB1,电流会经过SB2过KM常开点(得电后变常闭点)依然在给接触器线圈电,所以线圈依然不会失电,即使松开启动按钮,电机依然正常运作,这是自锁,如果想停止电机,按下SB2,断开电流流经过的路径即可。
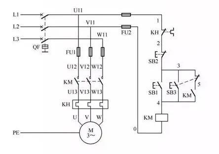
点动与自锁混合控制电路

合上断路器QF,按下启动开关SB1,接触器线圈得电,接触器触点由常开变为常闭,此时即便松开启动开关SB1,电流还是会通过路径1—2—3—5—4流到接触器线圈,接触器自锁;
当按下按钮SB3,因为“5”处接线时接到了SB3的常闭点,所以按下SB3以后会先断开自锁电路,未松开SB3时电流流经路径为1—2—3—4,如果松开,则接触器线圈失电,这是点动电路。
欢迎大家讨论私聊,多多交流[玫瑰][玫瑰]也恳请大家看完以后别忘了点赞支持一下,祝您生活愉快[送心]
#知识创作人第七季#
Iphone SE2代曝光,不愧是苹果手机,功能竟然如此强大 大家好我是大家的朋友 小生 ,每天都会给大家更新我的原创内容,希望得到大家的支持,今天为大家分享的是Iphone SE2代曝光,不...
《哥谭镇》第五季什么时候播出共几集 最终季演员阵容确定 [闽南网] 《哥谭镇》(Gotham)最终季第五季即将于明年初回归,在预告、抢先看片段释出后,美国 TVLine 独家发布卡司定装...
武庚纪中美丽善良执着可爱白菜的表情包,最后一张美瞎了我的眼! 武庚纪中一直被人们所喜爱的一个女主角那就是白菜,白菜不仅可爱善良,更有着一个普通女孩所没有的气质。小编...
推荐20部补番入坑必看的超火番剧,每部都是经典 评分只是一家之言 如果觉得哪部动漫评分给低了 欢迎评论区探讨...
上海女星孙俪晒照香肩半裸!侧躺秀S曲线太撩人,红唇烈焰美艳 上海热线讯,提到孙俪大家都不陌生了,孙俪除了是大家印象里实力派的女演员以外,她其实还是还是娱乐圈里出了名...
《极限挑战》林志玲对黄渤情有独钟?公开示爱黄渤!未婚我追他! 《极限挑战》开播!近期更是邀请志玲姐姐参加了极限挑战! 在节目录制中,在下雨的情况下志玲姐姐宁愿自己淋...
猪年头像可爱卡通图片大全 猪年头像可爱卡通图片大全 最新猪年微信头像高清无水印 新的一年,因为有你陪在我身旁,感觉格外的开心和幸福。 愿接下来的日子都一直这样。 我不是...
直击中国古老技艺-民间弓箭制作的9个技法,你见过吗? 中国古老技艺,民间弓箭的制作过程1。 中国古老技艺,民间弓箭的制作过程2。 中国古老技艺,民间弓箭的制作过程3。 中国古...
汽车抛光到底需要多少钱 大部分情况下,车主在选择汽车抛光项目时,往往爱车都只是局部发生的划痕和生锈的情况,通常来说,给爱车做汽车抛光美容项目时,是完全没有必要进行全...
警方打掉以张四有为首的涉黑涉恶犯罪集团 点击蓝字关注山西新闻网微运城 晋 近日,市公安局“3·20”专案组打掉了以盐湖区解州镇西元村张四有为首的涉黑涉恶犯罪集团,并对涉案...
红豆饼女神闪亮亮大尺度视频怎么回事?闪亮亮黄包包不雅视频事件详情 [海峡网] PTT网友踢爆黄包包和女友闪亮亮已经秘婚。 YouTuber「硬汉兄弟」黄包包,和女友「红豆饼女神」闪亮亮...
新加坡“最美黄蓉”何咏芳 何咏芳,1969年6月16日,出生于苏州。红楼梦越剧团徐派小生。90年代初,何咏芳曾随团赴新加坡、泰国、香港演出《追鱼》、《孟丽君》、《红楼梦》等优秀...
女生戴什么招桃花旺姻缘 很多女生都喜欢佩戴一些首饰,比如项链、手链、耳坠、戒指等等,既可以装扮自己,增添魅力,还能给人耳目一新的感觉。那么女生佩戴哪些饰品可以招桃花...
美翻了,快来大饱眼福下:奶茶妹妹清华跳舞旧照 美翻了,快来大饱眼福下:奶茶妹妹清华跳舞旧照 文/北方 奶茶妹妹,原名章泽天,1993年11月18日出生于南京,网络红人。2009年因一张...
古代接生的人为什么叫稳婆? “稳婆”是旧时民间以替人接生为业的人,一般为中年妇女,又叫“隐婆”、“产婆”、“收生婆”、“接生婆”、“老娘婆”等。稳婆一词的来源,最早...
邓超出轨被孙俪捉在床?紧急辟谣 最近,关于邓超出轨被孙俪捉在床的传闻在网络上疯传,引起了广大读者的强烈关注。 首先,让我们来看看这个传言的起源。据网络消息称,邓超在...
当代老爷车-光冈女王 老爷车情怀 劳斯莱斯老爷车 在我们的印象中,老爷车是存在于汽车博物馆的,是存在于影视剧中的,或是存在于发黄的黑白照片中。其实,在当代老爷车依旧存在...
白灼是什么做法?大厨告诉你,白灼,不是简单的白水煮 白灼,是中式烹饪方式的一种,它的做法简单,口感清淡,营养丰富,是很多人喜欢的烹饪方式之一。 白灼的做法非常简单,...
宝骏310改装案例 外观改装升级 宝骏310作为一款空间、配置和价格都非常令人满意的两厢车,上市到现在,就获得了不错的销量,而这么一款两厢车如果进行改装后是否非更加漂亮呢?本...
F4可能会合体?吴建豪的回应让粉丝感到遗憾 7月29日,曾经的F4成员吴建豪在参加某活动时,被问及微博曾发出和周渝民合照的事情,很多网友非常关心F4什么时候能再合体。 对此吴建...
cnblue姜敏赫退团只是玩笑 四人将在韩国举行演唱会 网传亚洲第一当红男团cnblue队员姜敏赫退团的消息被证实是假新闻,并且沉寂了一年当红组合cnblue将于6月份的韩国首尔举行一场大型...
「绯红女巫」选「伊恩·麦克莱恩」当爸,老万磁王:是我的荣幸 《奇异博士2:疯狂多元宇宙》在近期在欧美开出了票房红盘,其中饰演重要角色「绯红女巫」的伊丽莎白·奥尔森更是...
男生4种分头发型,你剪几几分最帅气? 有刘海的男生一定要考虑头发分线的问题,中分或侧分,差一点点都会有不同的效果,究竟什么分法最适合你呢?一起来看看吧。 1、五五分 中...
互相暗恋的两个人,99%有这几个特征,全中的请原地官宣 现在的社会发展的越来越迅速,在感情中也是这样,很多人遇到自己喜欢的另一半都会主动积极的去追求,但是还有很多人是...